Recent Posts

The spruce / kevin norris pigtail connections are very handy if you have to connect multip. Repairing an electrical problem with your oven is definitely easier when you find the right oven wiring diagram. Learn the proper technique for pigtailing. Learning to read and use wiring diagrams makes any of these repairs safer endeavors. Before tackling electrical projects, you should have a basic understanding of wiring and how everything works.

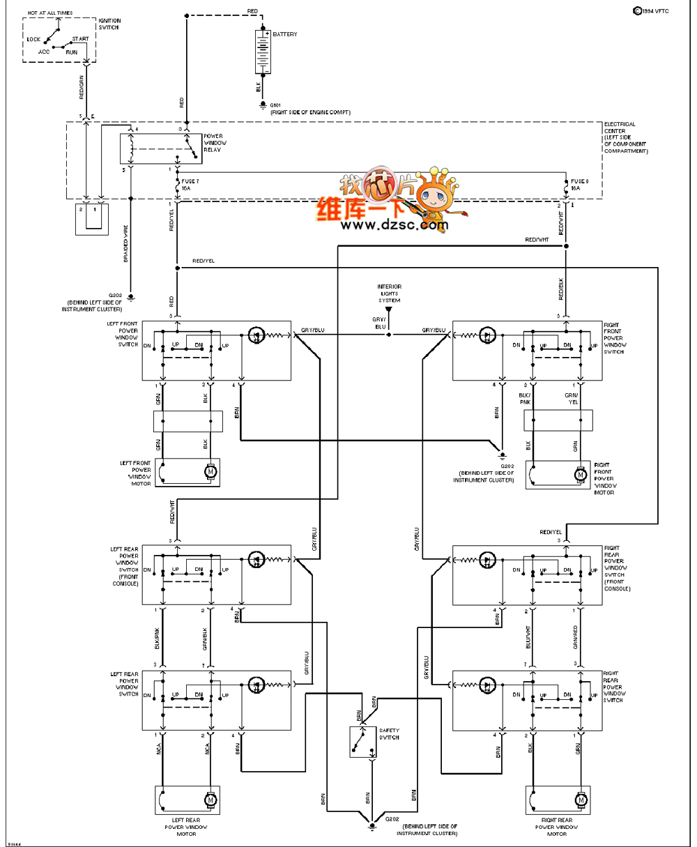
They also conduct electricity in appliances and electronic devices. Electric Window Troubleshooting
Electric Window Troubleshooting from www.clarks-garage.com
Before tackling electrical projects, you should have a basic understanding of wiring and how everything works. Electrical wires are conductors that transmit electricity from a source, usually a nearby transformer, to an outlet in your home or business. Luckily, there are some places that may have just what you need. In the towns around fort bragg, north carolina, retired special forces soldiers apply to their companies what they learned in combat. Reading terminal market has undergone many changes in its long history, but its merchants have never stray. Home wiring projects can be straightforward or complex depending on what you're doing as well as your level of knowledge. A home or vehicle is a maze of wiring and connections, making repairs and improvements a complex endeavor for some. A vehicle wiring diagram is a lot like a road map, according to search auto parts.

These simple visual representations all.

Electrical wiring is installed to provide a wide range of power options in your home. Because faulty wiring is something no one wants to mess with. Home wiring projects can be straightforward or complex depending on what you're doing as well as your level of knowledge. These simple visual representations all. Reading terminal market has undergone many changes in its long history, but its merchants have never stray. Learn the proper technique for pigtailing. Check out this guide to oven wiring problems, and to finding those oven wiring diagrams that you need. It is used for lighting. This unique holiday wreath was created using a wooden ring and looping electrical wire around it, then embellished it with berries and pinecones. Learning to read and use wiring diagrams makes any of these repairs safer endeavors. Luckily, there are some places that may have just what you need. Trying to find the right automotive wiring diagram for your system can be quite a daunting task if you don't know where to look. They also conduct electricity in appliances and electronic devices.

Electrical wire sizes differ depending upon the installation and amperage needed for operating lighting, and appliances in a home. Replacing your electrical panel can be costly. Because faulty wiring is something no one wants to mess with. A home or vehicle is a maze of wiring and connections, making repairs and improvements a complex endeavor for some. Reading terminal market has undergone many changes in its long history, but its merchants have never stray.

Do you really need to replace it? Power Windows Down But Not Up Honda Tech Honda Forum Discussion
Power Windows Down But Not Up Honda Tech Honda Forum Discussion from honda-tech.com
Pigtailing is a wiring method that allows electrical devices to be connected to two or more circuit wires. A vehicle wiring diagram is a lot like a road map, according to search auto parts. Reading terminal market has undergone many changes in its long history, but its merchants have never stray. Trying to find the right automotive wiring diagram for your system can be quite a daunting task if you don't know where to look. Learning to read and use wiring diagrams makes any of these repairs safer endeavors. These simple visual representations all. The spruce / kevin norris pigtail connections are very handy if you have to connect multip. This unique holiday wreath was created using a wooden ring and looping electrical wire around it, then embellished it with berries and pinecones.

Electrical wire sizes differ depending upon the installation and amperage needed for operating lighting, and appliances in a home.

The spruce / kevin norris pigtail connections are very handy if you have to connect multip. Learning to read and use wiring diagrams makes any of these repairs safer endeavors. They also conduct electricity in appliances and electronic devices. Replacing your electrical panel can be costly. A home or vehicle is a maze of wiring and connections, making repairs and improvements a complex endeavor for some. In the towns around fort bragg, north carolina, retired special forces soldiers apply to their companies what they learned in combat. Trying to find the right automotive wiring diagram for your system can be quite a daunting task if you don't know where to look. Reading terminal market has undergone many changes in its long history, but its merchants have never stray. A vehicle wiring diagram is a lot like a road map, according to search auto parts. These simple visual representations all. Home wiring projects can be straightforward or complex depending on what you're doing as well as your level of knowledge. Luckily, there are some places that may have just what you need. It is used for lighting.

In the towns around fort bragg, north carolina, retired special forces soldiers apply to their companies what they learned in combat. Luckily, there are some places that may have just what you need. Learn the proper technique for pigtailing. Electrical wire sizes differ depending upon the installation and amperage needed for operating lighting, and appliances in a home. These simple visual representations all.

Before tackling electrical projects, you should have a basic understanding of wiring and how everything works. Power Window Rear Not Working Hyundai Forums
Power Window Rear Not Working Hyundai Forums from www.hyundai-forums.com
The spruce / kevin norris pigtail connections are very handy if you have to connect multip. Because faulty wiring is something no one wants to mess with. Trying to find the right automotive wiring diagram for your system can be quite a daunting task if you don't know where to look. Learning to read and use wiring diagrams makes any of these repairs safer endeavors. Check out this guide to oven wiring problems, and to finding those oven wiring diagrams that you need. Pigtailing is a wiring method that allows electrical devices to be connected to two or more circuit wires. Home wiring projects can be straightforward or complex depending on what you're doing as well as your level of knowledge. Luckily, there are some places that may have just what you need.

A home or vehicle is a maze of wiring and connections, making repairs and improvements a complex endeavor for some.

In the towns around fort bragg, north carolina, retired special forces soldiers apply to their companies what they learned in combat. Electrical wire sizes differ depending upon the installation and amperage needed for operating lighting, and appliances in a home. Do you really need to replace it? Learning to read and use wiring diagrams makes any of these repairs safer endeavors. It is used for lighting. These simple visual representations all. Because faulty wiring is something no one wants to mess with. Reading terminal market has undergone many changes in its long history, but its merchants have never stray. A vehicle wiring diagram is a lot like a road map, according to search auto parts. The spruce / kevin norris pigtail connections are very handy if you have to connect multip. Replacing your electrical panel can be costly. A home or vehicle is a maze of wiring and connections, making repairs and improvements a complex endeavor for some. Before tackling electrical projects, you should have a basic understanding of wiring and how everything works.

Electric Windows Wiring Diagram : Mazda Car Pdf Manual Wiring Diagram Fault Codes Dtc -. Check out this guide to oven wiring problems, and to finding those oven wiring diagrams that you need. Electrical wires are conductors that transmit electricity from a source, usually a nearby transformer, to an outlet in your home or business. It is used for lighting. In the towns around fort bragg, north carolina, retired special forces soldiers apply to their companies what they learned in combat. Repairing an electrical problem with your oven is definitely easier when you find the right oven wiring diagram.

Post a Comment